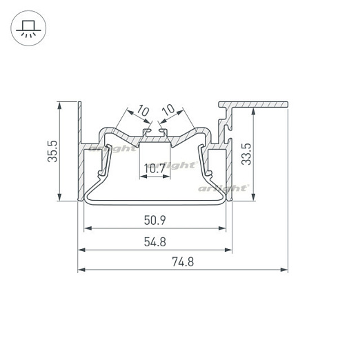
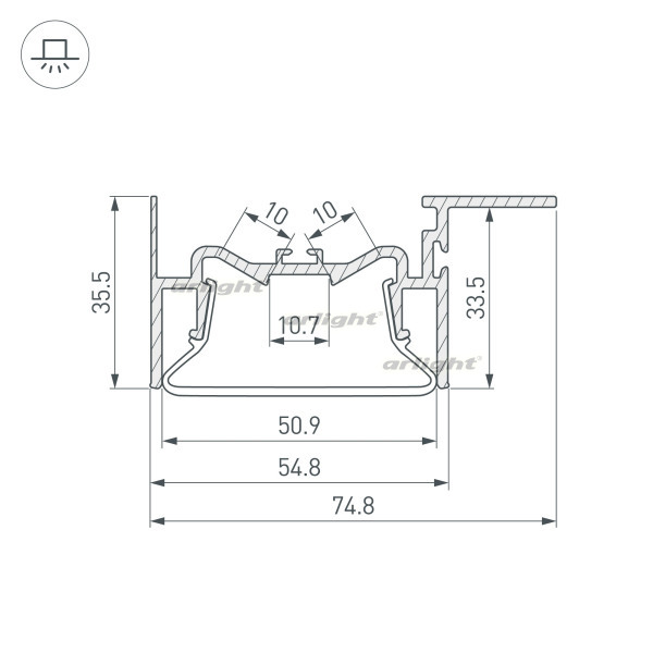
Алюминиевый профиль для натяжных потолков (боковая линия - монтаж к потолку). Решение 2-в-1 - каркас для крепления натяжного потолка и профиль для установки светодиодной ленты. Для дизайнерских решений «линии света» в натяжных потолках. Монтируется к потолку, накладной способ. Натяжной потолок крепится к профилю с одной стороны. Габаритные размеры (L×W×H): 2000x75x36мм. Ширина площадки для ленты 11мм. Экраны, заглушки и другие аксессуары приобретаются отдельно. Цена за 1 метр.
259.67 BYN
Характеристики
| Бренд | Arlight |
| Тип товара | Профиль |
| Материал корпуса | Алюминий |
| Цвет | Серебристый |
| Модельный ряд | FOLED |
| Назначение | Для натяжных потолков |
| Способ монтажа | Встраиваемый со скрытым фланцем |
| Внешний вид поверхности | Глянцевая |
| Покрытие поверхности | Без покрытия |
| Рассеиваемая тепловая мощность на 1м | max: 53.81 W |
| КПД профиля (cветовой), % | 89 % |
| Ширина световой линии | 49.8 мм |
| Длина | 2000 мм |
| Ширина | 74.8 мм |
| Высота | 35.5 мм |
| Ширина площадки | 10 мм |
| Единицы измерения | м |
| Норма упаковки | 2 |
| Вид упаковки | - |
| Гарантийный срок | 24 |
